| astronautix.com | ASTP |
![]() |
| Soyuz ASTP in Orbit - Credit: NASA. 18,624 bytes. 316 x 270 pixels. |
Apollo-Soyuz Test Project. Meetings began in 1969 between Russian and American representatives on a joint manned space mission. Ambitious plans for use of Skylab or Salyut space stations were not approved. Instead it was decided to develop a universal docking system for space rescue. A working group was set up in October 1970 and in May 1972 the USA/USSR Agreement was signed with launch to take place in 1975. D Bushuev and G Lanin were the technical directors of the Soviet-designed EPAS docking system program. 1600 experiments were conducted in developing the system. Major Events: .
Unmanned Soyuz test flight. Recovered April 13, 1974 5:05 GMT. Soyuz ASTP Test.
Maneuver Summary:
190km X 309km orbit to 190km X 266km orbit. Delta V: 12 m/s
190km X 266km orbit to 240km X 300km orbit. Delta V: 23 m/s
240km X 300km orbit to 258km X 274km orbit. Delta V: 12 m/s
Total Delta V: 47 m/s.
Officially: Investigation of the upper atmosphere and outer space.
ASTP precursor. Recovered August 18, 1974 5:02 GMT. Soyuz ASTP test.
Maneuver Summary:
195km X 305km orbit to 195km X 221km orbit. Delta V: 24 m/s
195km X 221km orbit to 223km X 223km orbit. Delta V: 8 m/s
231km X 231km orbit to 231km X 231km orbit. Delta V: 1 m/s
223km X 223km orbit to 231km X 231km orbit. Delta V: 4 m/s
231km X 231km orbit to 227km X 237km orbit. Delta V: 2 m/s
Total Delta V: 39 m/s.
Officially: Investigation of the upper atmosphere and outer space.
![]() | Apollo CSM Interior - Interior of the Apollo Command Service Module on display at Kennedy Space Center, Florida. Credit: © Mark Wade. 58,405 bytes. 506 x 392 pixels. |
ASTP Manned Test Flight. Check-out of the Soyuz space craft's on-board systems which had been modernized to meet the requirements of the 1975 joint flight in accordance with the programme of the Soviet-United States experiment; conduct of scientific and technical investigations. Landed 30 km NE Arkalyk. Recovered December 8, 1974 8:04 GMT.
![]() | Panel Soyuz 7K-OK - Control panel of the initial earth orbit version of Soyuz. Credit: © Mark Wade. 11,752 bytes. 723 x 288 pixels. |
![]() | Soyuz ASTP in Orbit - Soyuz ASTP in Orbit 3 Credit: NASA. 34,808 bytes. 619 x 480 pixels. |
Soyuz 19 initial orbital parameters were 220.8 by 185.07 kilometres, at the desired inclination of 51.80�, while the period of the first orbit was 88.6 minutes. On 17 July the two spacecraft docked. The crew members rotated between the two spacecraft and conducted various mainly ceremonial activities. Leonov was on the American side for 5 hours, 43 minutes, while Kubasov spent 4:57 in the command and docking modules.
![]() | Apollo CSM Credit: © Mark Wade. 3,260 bytes. 341 x 174 pixels. |
Three hours later Apollo and Soyuz undocked for the second and final time. The spacecraft moved to a 40 m station-keeping distance so that an ultraviolet absorption experiment could be performed. With all the joint flight activities completed, the ships went on their separate ways. Soyuz 19 landed safely July 21, 1975 10:51 GMT, 87 km north-east of Arkalyk, 9. 6 km from its aim point.
![]() | Soyuz ASTP Credit: © Mark Wade. 6,204 bytes. 477 x 286 pixels. |
This flight marked the culmination of the Apollo-Soyuz Test Project, a post-moon race 'goodwill' flight to test a common docking system for space rescue. 15 July 1975 began with the flawless launch of Soyuz 19. Apollo followed right on schedule. Despite a stowaway - a 'super Florida mosquito' - the crew accomplished a series of rendezvous manoeuvres over the next day resulting in rendezvous with Soyuz 19. At 11:10 on 17 July the two spacecraft docked. The crew members rotated between the two spacecraft and conducted various mainly ceremonial activities. Stafford spent 7 hours, 10 minutes aboard Soyuz, Brand 6:30, and Slayton 1:35. Leonov was on the American side for 5 hours, 43 minutes, while Kubasov spent 4:57 in the command and docking modules.
![]() | Soyuz ASTP Credit: © Mark Wade. 21,104 bytes. 1380 x 1016 pixels. |
![]() | Soyuz ASTP in Orbit - Soyuz ASTP in Orbit 4 Credit: NASA. 11,569 bytes. 488 x 216 pixels. |
![]() | Soyuz ASTP Credit: © Mark Wade. 2,964 bytes. 327 x 229 pixels. |
![]() | Apollo CSM - Apollo CSM with Launch Escape Tower Credit: © Mark Wade. 4,184 bytes. 609 x 174 pixels. |
![]() | Apollo CSM Credit: © Mark Wade. 7,033 bytes. 561 x 304 pixels. |
![]() | APAS-75 docking unit - APAS-75 docking unit as used in ASTP project. Credit: Andy Salmon. 22,607 bytes. 490 x 293 pixels. |
![]() | Soyuz ASTP PO - Cutaway of Soyuz equipment / propulsion module. 68,537 bytes. 632 x 525 pixels. |
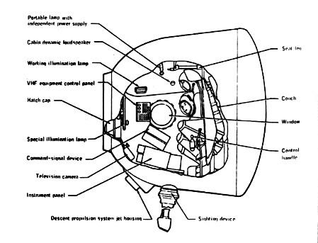
![]() | Soyuz ASTP SA - Cutaway of Soyuz reentry capsule. 27,237 bytes. 449 x 343 pixels. |
Surplus Soyuz ASTP spacecraft modified with a multi-spectral camera manufactured by Carl Zeiss-Jena in place of the universal docking apparatus. Eight days were spent photographing the earth. Tested and perfected scientific-technical methods and devices for studying the geological characteristics of the earth's surface from outer space for economic purposes. Recovered September 23, 1976 7:42 GMT. Landed 150 km NW Tselinograd.
![]() | Soyuz ASTP Cutaway 39,660 bytes. 604 x 282 pixels. |
![]() | Soyuz ASTP BO - Cutaway of Soyuz orbital module. 64,148 bytes. 525 x 632 pixels. |